Products

Products

Certification

At Blue-vent’s ISO9001 certified manufacturing facility we design and manufacture dust collector systems to various industries according to local standards and regulations.

Solutions include dust extraction and filtration, material conveying and waste storage. Solutions are custom made using well proven standard components, such as the modular Multijet bag house collector, heavy duty fans and safety devices.

CUSTOM MADE SOLUTIONS INCLUDE DESIGN WORK SUCH AS:

  • Process flowsheets
  • 2D layout drawings
  • 3D layout drawings (for large projects).
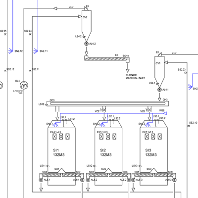
Process flowsheets

Process flowsheets

Flowsheets describe all devices included in the plant. Flowsheets are important documents in the process of implementing projects and gives the customer’s operators and maintenance staff a complete overview of the process.

2D layout drawings

2D layout drawings

Plan-view drawings are supplied for all projects. The plan-views are to scale and show machinery connections and location of dust collectors, storage facilities etc. These drawings gives the customer an understanding of the physical size and arrangement of the plant.

3D layout drawings

3D layout drawings

For larger and complex projects the entire plant is drawn up in SolidWorks 3D drawing. These drawings present to the customer a clear impression of how the system will look once installed in the factory. The 3D drawings are important for a smooth installation process.

BLUE-VENT PROVIDE A RISK ASSESSMENT OF THE ENTIRE DUST COLLECTOR PLANT BACKED UP BY ALL REQUIRED DOCUMENTATION AND CERTIFICATION, SUCH AS:

  • Mechanical integrity calculations
  • Explosion vent calculations
  • Certification of safety devices
  • Dust emission certificate

Dust Collectors

  • Heavy duty modular design.
  • Galvanized or painted housing.
  • Large inlet drop champers.
  • Filter bags with long lifetime.
  • Low pressure air purging.
  • Hopper screw conveyor.
  • Discharge through rotary valve.

Fans

  • Heavy duty design with fully welded housing.
  • Accurate calculation software.
  • Wide range of fan wheels for all applications.
  • Fans with direct drive or belt transmission.

Ductwork

  • Galvanized ducts in high grade steel.
  • Heavy gauge ductwork.
  • Stainless steel ductwork.
  • Ductwork assembly rings and flanges.

Multiflow plenum channels

  • Exhaust on demand with maximum energy savings.
  • Allow easy change to machinery layout.
  • Constant pick up speed at machines.

Material transport

  • Pneumatic conveying.
  • Chain conveyors.
  • Rotary valves.

Waste storage

  • Silo storage systems.
  • Container discharge.
  • Big bag discharge.
  • Truck loaders.

Safety equipment

  • Explosion isolation valves.
  • Abort gates.
  • EX-membranes.
  • Spark extinguishing systems.
  • Compliant ladders and platforms

Control systems

  • E-Control energy optimization.
  • Remote access.
  • Cloud solution.

Material Grinding and briquetting

• Shredders/grinders
• Hammermills
• Guillotines
• Briquetting presses (hydraulic/mechanical)

Installations

• Supervision of installation
• Turn-key installation with all manpower and tooling.